Тахогенератор К5А7-00 — это машина постоянного тока с независимым возбуждением или возбуждением постоянными магнитами, работающая в генераторном режиме.
Тахогенераторы постоянного тока служат для измерения частоты вращения по значению выходного напряжения, а также для получения электрических сигналов, пропорциональных частоте вращения вала в схемах автоматического регулирования.
Основными требованиями, предъявляемыми к тахогенераторам, являются:
- линейность выходной характеристики;
- большая крутизна выходной характеристики;
- малое влияние на выходную характеристику изменения температуры окружающей среды и нагрузки;
- минимум пульсаций напряжения на коллекторе.
Характеристики
Параметр | Модификация тахогенератора | |
К5А7-00 | ||
Обороты | 0 — 6000 1/Min | |
Напряжение (1000 об/мин) | 20 V | 80 V |
Сопротивление нагрузки | 600 • 103 Ω | 24 • 103 Ω |
Ток | 0,2 mA | 20 mA |
Линейное отклонение | 1% | |
Воздействие величины пульсации | 0,5% | |
Момент инерции | 2,8 • 10-5 kg•m2 | 1,1 • 10—4 kg•m2 |
Степень защиты корпуса | IP40 | |
Класс изоляции | B | |
Рабочая температура | -50…+50°C | |
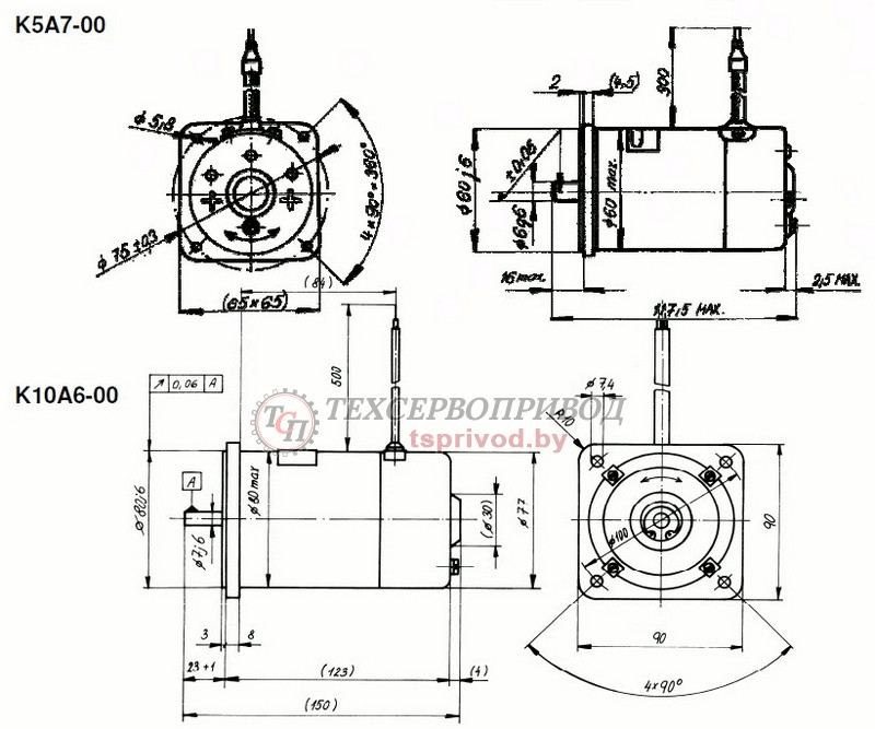
Габаритные размеры | 65×120 мм | 90×126 мм |
Масса | 0,75 кг | 1,6 кг |
Габаритные и установочные размеры тахогенератора К5А7-00 и К10А6-00






