Электродвигатель ПБВ132L 47.7Н/М

  • 220/380, 380, 660В

Технические характеристики и фото двигателя постоянного тока ПБВ132LУ3

Технические характеристики электродвигателей постоянного тока 2ПБВ132L 47.7 Н/м

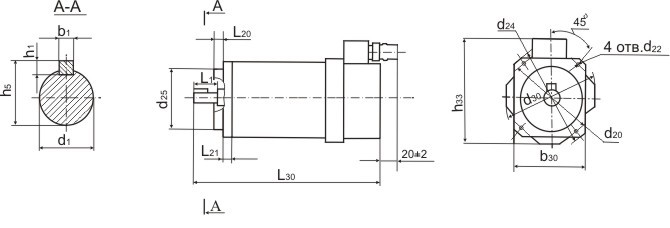
Габаритные, установочные и присоединительные размеры и вес электродвигателей 2ПБВ132L

Габариты и монтажные размеры электродвигателей 2ПБВ

ТипРазмеры, ммМасса, кг
l1l20l21l30b1b30h1h5h33d1d20d22d24d25
2ПБВ132L58424,563810268841315382651530023082,5

 

Описание серии Высокомоментные двигатели 2ПБВ

Высокомоментные двигатели 2ПБВ используют в составе регулируемых электроприводов различных механизмов включая безредукторные приводы подач станков, роботов, манипуляторов, где требуются высокая равномерность вращения и высокая перегрузочная способность по моменту при низких частотах вращения.

ЭЛЕКТРОДВИГАТЕЛИ ПОСТОЯННОГО ТОКА 2ПБВ100, 2ПБВ112, 2ПБВ132.

Питание электродвигателей может осуществляться как от генераторов постоянного тока, так и от выпрямительных устройств.

Электродвигатели постоянного тока 2ПБВ имеют следующее обозначение:

2ПБВХХХХХХХХ4, где: 

2 — номер серии; П — электродвигатель постоянного тока со встроенным тахогенератором ТП-80-20-0,2 с крутизной 20 мВ•мин и датчиком тепловой защиты терморезистором СТ14-2А; Б — степень защиты и способ охлаждения (закрытое исполнение с естественным охлаждением); В — высокомоментный; ХХХ — высота оси вращения, мм (100, 112, 132); Х — обозначение длины (S — первая, М — вторая, L — третья); Х — наличие тормоза (Е — с тормозом, отсутствие буквы — без тормоза); ХХ — 01 — наличие датчика пути — резольвера LTSa11c, 02 — наличие устройства под установку датчика пути — преобразователя измерительного фотоэлектрического модели ВЕ — 178, отсутствие обозначения — без датчика пути; Х4 — климатическое исполнение (УХЛ, О) и категория размещения (4) по ГОСТ 15150-69.

Конструкция электродвигателей 2ПБВ100, 2ПБВ112, 2ПБВ132.

Двигатель 2ПБВ высокомоментный с возбуждением от высококоэрцитивных постоянных ферритовых магнитов. Закрытого исполнения с естественным охлаждением, степенью защиты IP44S по ГОСТ 17494-87, способом охлаждения IC0041 по ГОСТ 20459-87. Применена изоляция класса нагревостойкости Н по ГОСТ 8865-87. Конструктивное исполнение по способу монтажа IM3081 по ГОСТ 2479-79 — без лап, с фланцем на подшипниковом щите, горизонтальное и вертикальное расположение с одним цилиндрическим концом вала. Изготавливается со встроенным датчиком тепловой защиты и тахогенератором постоянного тока. Предусматривается пристройка безлюфтового электромагнитного тормоза НЗТБ-11, установка датчика пути — резольвера или оснащение устройством для установки датчика пути потребителем. Возможна доработка двигателя для установки датчика пути — энкодера.

Технические характеристики электродвигателей постоянного тока 2ПБВ.

Марка двигателяДлительный вращающий момент в затормо-женном состоянии, Н/мДлительный ток в затормо-женном состоянии, АМаксималь-ный вращающий момент, Н/мМаксималь ная частота вращения nmax мин-1Напряжение  в горячем состоянии, ВМомент инерции якоря, кг/м2  
при 0,25nmaxпри nmax
2ПБВ100М7,520702500371150,010
2ПБВ100L11,025100200031950,013
2ПБВ112S15,0281302000371230,035
2ПБВ112М18,5281702000471610,042
2ПБВ112L22,0282102000592020,049
2ПБВ132S37,0513502000501750,188
2ПБВ132М50,0514702000632250,238

Габаритные и присоединительные размеры электродвигателей 2ПБВ.

Габаритные и монтажные размеры электродвигателей 2ПБВ100, 2ПБВ112, 2ПБВ132
ТипРазмеры, ммМасса, кг
l1l20l21l30b1b30h1h5h33d1d20d22d24d25
2ПБВ100М423,5163988150731218281651220013020
2ПБВ100L45824
2ПБВ112S5841842010190835265322151525018034,3
2ПБВ112M46040,3
2ПБВ112L50046,3
2ПБВ132S2256122031468
2ПБВ132M24,5638268413153826530023082,5