Электродвигатели постоянного тока 4ПБМ160МО4 закрытого исполнения с естественным охлаждением
Обозначение
4ПБМ160МГО4:
4 — порядковый номер серии;
П — машина постоянного тока с датчиками тепловой защиты;
Б — закрытое исполнение с естественным охлаждением;
М — модификация;
160 — высота оси вращения, мм;
М — условная длина сердечника якоря;
Г — наличие тахогенератора: Г — с тахогенератором, без буквы Г — без тахогенератора;
04 — климатическое исполнение и категория размещения по ГОСТ 15150-69.
| Тип | Мощность, кВт | Напряжение якоря, В | Частота вращения,мин-1 | |
| nnom | nmax | |||
| 4ПБМ160МО4 | 2,06 | 110 | 730 | 3000 |
| 2,12 | 220 | 775 | 2500 | |
| 440 | 800 | 1850 | ||
| 3 | 110 | 1060 | 4000 | |
| 220 | 3000 | |||
| 440 | 1030 | 2500 | ||
| 4,25 | 110 | 1450 | 4000 | |
| 4,75 | 220 | 1600 | ||
| 4,62 | 440 | 1550 | 3750 | |
| 6,5 | 220 | 2240 | 4000 | |
| 6,7 | 440 | |||
| 8 | 220 | 3070 | ||
| 8,5 | 440 | 3350 | ||
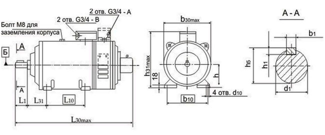
Габаритные, монтажные размеры и вес электродвигателей 4ПБМ160МО4

| Тип | Размеры, мм | |||||||||||||||||
| l | l1 | l10 | l30max | l31 | l33max | b1 | b2 | b10 | b30max | d1 | d2 | d10 | h | h5 | h6 | h31max | Масса, кг | |
| 4ПБМ160МО4 | 80 | 80 | 210 | 622 | 180 | 698 | 10 | 10 | 254 | 316 | 38 | 15 | 160 | 41 | 41 | 18 | 396 | 123 |
Габаритные, монтажные размеры и вес электродвигателей 4ПБМ160МГО4 (с тахогенератором)

| Тип | Размеры, мм | |||||||||||||
| l1 | l10 | l30max | l31 | b1 | b10 | b30max | d1 | d10 | h | h1 | h5 | h31 | Масса, кг | |
| 4ПБМ160MГО4 | 80 | 210 | 664 | 108 | 10 | 254 | 315 | 38 | 15 | 160 | 8 | 41 | 396 | 123 |
Конструкция электродвигателей 4ПБМ закрытого исполнения
степень защиты IP44S по ГОСТ 17494-87
способ охлаждения IС0041 по ГОСТ 20459-87
Применена изоляция класса нагревостойкости Н по ГОСТ 8865-87
Электродвигатели 4ПБМ изготавливаются с датчиком тепловой защиты, возможна установка тахогенератора.
Конструктивное исполнение двигателей 4ПБМ по способу монтажа:
IM1081-на лапах, IM2081-на лапах с фланцем, IM3081-без лап с фланцем, с одним цилиндрическим концом вала, с любым положением вала по ГОСТ 2479-79.
4ПБМ — без тахогенератора – IM1002 – на лапах, с двумя цилиндрическими концами вала, горизонтального положения вала по ГОСТ 2479-79.
Генераторы имеют конструктивное исполнение по способу монтажа IМ1001.
Двигатели 4ПБМ допускают длительную работу при регулировании частоты вращения вниз от номинальной до нуля уменьшением напряжением на якоре.
Двигатели 4ПБМ допускают длительную работу при регулировании частоты вращения от номинальной до максимальной уменьшением тока возбуждения при номинальном токе якоре и номинальном напряжение на якоре.
Двигатели 4ПБМ допускают регулирование частоты вращения вверх от номинальной до максимальной при номинальном напряжении возбуждения изменением напряжения на якоре,при этом напряжение на якоре не должно превышать 220В для двигателей на 110В, 330В для 220В и 460В при 440В.
Двигатели 4ПБМ допускают перегрузки по току якоря 3 Iном в течение 15 с при номинальной частоте вращения.
Устойчивость работы двигателей 4ПБМ во всех режимах работы должна обеспечиваться схемой управления.
Условия эксплуатации
Температура окружающей среды — от 1 до 40С,
относительная влажность воздуха до 98 % при t=35С.
Механические воздействия по группе М8 по ГОСТ 17516.1-90.
Невзрывоопасная окружающая среда, не содержащая агрессивных газов и паров в концентрации, разрушающих металл и изоляцию.
Допускается эксплуатация двигателей в условиях отличных от указанных выше (доработка электродвигателей для таких условий согласовываются дополнительно).
Надежность и долговечность
Безотказная работа электродвигателя 4000 часов (с соблюдением правил эксплуатации и заменой щеток через каждые 2000 часов).
Средний ресурс до списания 20000 часов. Средний срок службы 15 лет.






